Como opcion conductos ramificados, por ejemplo en viviendas la extraccion deja bocas de ventilacion en cuartos humedos y la admision en dormitorios y estar e instalar en su caso placas fotovoltaicas varias marcas SUNFIELDS y baterias . Puede ser ventilacion mecanica, ventilacion hibrida o ventilacion con control mediante sensor de CO2 y en su caso con, al menos, un ventilador, un silenciador, una valvula anti-retorno, un programador horario, una rejilla antipajaros. Puede haber uno o mas ventiladores en el arranque, en tramos intermedios o en el aspirador.
Producto registrado.

En adosados y pareados si los remates estan cercanas, adosados, pareados etc; el humo, fibras, polvo (por ejemplo por reformas) y los aerosoles, tales como enfermedades pasan de una vivienda a otra; el covid aguanta horas en el aire y las corrientes de aire puede llevarlo de una vivienda a otra.
- Instalaciones con remates practicables según Codigo Tecnico de la Construccion.
EL CONTENIDO DE ESTA WEB ESTA PROTEGIDO COMO DERECHOS DE AUTOR.
SI DESEAN ADQUIRIR ALGUN PRODUCTO QLIQUEEN AQUI.
TODOS COMO OPCION ALIMENTADOS CON ENERGIA SOLAR Y EN SU CASO BATERIAS.
INSTALACIONES COMPLETAS ALIMENTADAS CON ENERGIA SOLAR Y EN SU CASO BATERIAS..
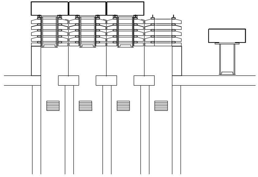
SEPARACION DE VENTILACIONES COMPARTIDAS CON REMATES DE HORMIGON.
- TODOS LOS PRODUCTOS E INSTALACIONES SON HIBRIDAS, MECANICAS O CONTROLADOS MEDIANTE SENSOR DE CO2.
- CATALOGO DE EQUIPOS SUNFIELDS PARA LA ENERGIA FOTOVOLTAICA.
INSTALANDO ESTOS SISTEMAS DE VENTILACION SE HACE UNA REBAJA EN LOS EQUIPOS FOTOVOLTAICOS DEL 10 %.
- Instalamos conductos de ventilacion y energia fotovoltaica, en edificios ya en uso.
- Instalamos conductos de ventilacion y energia fotovoltaica, en edificios en proyecto o en construccion.
- Son remates de ventilacion compuesto, menor huella de carbono.
VENTILACIONES COMPARTIDAS SOBRE CUBIERTA.
VER CATALOGO
EL CONTENIDO DE ESTA WEB ESTA PROTEGIDO COMO DERECHOS DE AUTOR.
MEJORAMOS, MOTORIZAMOS Y HACENOS PRACTICABLES, LOS REMATES EXISTENTES, EN LUGAR DE SUSTITUIRLOS, PARA NO GENERAR RESIDUOS Y COLABORAR CON LA ECONOMIA CIRCULAR.
EN CASO DE QUE HAYA UN CASSETE, CASETTE O CASETE, INSTALADO EN LA CHIMENEA, CUANTO MEJOR FUNCIONE EL REMATE Y MENOS REvOQUE, MENOS SE OSCURECERA Y MENOS SE MANCHARA DE HUMO, LA PUERTA DE CRISTAL.
VENTILACIONES COMPARTIDAS.
VENTILACIONES COMPARTIDAS SOBRE CUBIERTA SEPARADAS.
VENTILACIONES COMPARTIDAS SEPARADAS.
VENTILACIONES COMPARTIDAS SOBRE CUBIERTA, SEPARADAS Y MEJORADAS.
VENTILACIONES COMPARTIDAS, SEPARADAS Y MEJORADAS.
VENTILACIONES COMPARTIDAS SOBRE CUBIERTA, SEPARADAS, MEJORADAS Y MOTORIZADAS.
VENTILACIONES COMPARTIDAS, SEPARADAS, MEJORADAS Y MOTORIZADAS.
VENTILACIONES COMPARTIDAS SOBRE CUBIERTA, SEPARADAS, MEJORADAS, MOTORIZADAS PRACTICABLES.
VENTILACIONES COMPARTIDAS, SEPARADAS, MEJORADAS, MOTORIZADAS Y PRACTICABLES.
13. REMATE DE VENTILACION COMPUESTO según reivindicación 1 0 2 y 12 caracterizado
por varios remates colocados unos al lado de otros FIG 6 a 9, 14 y 29 a 30 tal que las partes
cerradas (3.1) están en los lados en que están en contacto, no tienen aberturas tampoco las
paredes de los dos extremos del conjunto de remates adosados (3.1.1) FIG 6.
20 14. REMATE DE VENTILACION COMPUESTO según reivindicación 1 o 2 y 13 caracterizado
porque bajo los remates hay, al menos, una división (7) FIG 6 que divide el conducto en varios
conductos.
ENTRA HUMO EN MI CASA.
ENTRA HUMO U OLORES TABACO EN MI CASA.
ENTRAN OLORES DEL INODORO DE LA CASA VECINA.
ENTRA OLORES DE COMIDA EN MI CASA.
EDIFICIO AUTOSUFICIENTE, EL CO2 PESA MAS QUE EL AIRE, POR ELLO LAS BOCAS DE EXTRACCION ESTAN EN EL ENTORNO DEL SUELO.
REJILLA Y VENTILACION DE SEGURIDAD CON SENSOR DE CO, HUMO, GAS Y CO2.
LAS PLACAS TERMICAS Y FOTOVOLTAICAS ESTAN A DOS METROS, O MAS, DE LA CUBIERTA PARA NO MOLESTAR, SOBRE UNA PLATAFORMA COMO OPCION TRANSPARENTE Y CON UNA BARANDILLA PERIMETRAL PARA PREVENIR ACCIDENTES POR CAIDAS.
REJILLA DE SEGURIDAD E INOBTURABLE PARA RECINTOS CON INSTALACIONES DE GASES EXPLOSIVOS.
- AGUAS ARRIBA DE LA ELECTROVALVULA, LA INSTALACION TRANSCURRE POR EL EXTERIOR.
REJILLA DE SEGURIDAD PARA GAS CON VENTILADOR QUE ACTUA SEGUN DATOS DE SENSORES DE GAS, CO, CO2.
- POR ESA RAZON SI EL ESCAPE ES AGUAS ARRIBA DE LA ELECTROVALVULA, COSA QUE PUEDE OCURRIR, NO HAY PELIGRO PARA LAS VIDAS Y LOS BIENES.
ESTE PARQUE FOITOVOLTAICO NO OCUPA SUELO Y ES SEGURO: PROTEGE LA SEGURIDAD Y EL HIGIENE EN EL TRABAJO.
- ELECTROLINERAS E HIDROLINERAS CONECTADAS A BATERIAS, ELECTROLIZADORES, PARQUES FOTOVOLTAICOS ELEVADOS SOBRE PLATAFORMAS CON BARANDILLAS Y AEROGENERADORES.
- SE PRODUCE HIDROGENO VERDE MEDIANTE PARQUES FOTOVOLTAICOS ELEVADOS SOBRE PLATAFORMAS CON BARANDILLAS Y AEROGENERADORES.
REJILLA DE SEGURIDAD PARA GAS.
- PANELES FOTOVOLTAICOS DOTADOS CON ESPEJOS CON SEGUIMIENTO SOLAR.
- PANELES FOTOVOLTAICOS VENTILADOS Y CON BATERIAS.
- PANELES FOTOVOLTAICOS VENTILADOS Y TÉRMICOS.
EFI VENT
SISTEMA DE LICENCIAS.
Ver sistemas de riego.
CONTACTO
U202432402.

U202300315.

U202430009.

U202100277.

U202432024.

U202430823.

U202431352.

U202200290.

U202300286.

U202430009 II.

NATURAEOLICA EN ZONAS ARIDAS SE EXTRAE AGUA DEL AIRE CON AEROGENERADORES PARA APORTAR AGUA A LA FLORA Y LA FAUNA.